Cookie Consent by PrivacyPolicies.com

Glassoftware für Ihre Glaserei und Glashandel!

Wir freuen uns,
Sie hier auf unserer Website begrüssen zu können!

BC-GlasSoft, die Software für Glasereien,
Glaserhandwerk und Glashandel!

Lokal in der Firma und auch als BC.Cloud / Homeoffice einsetzbar!


Glassoftware für Glasereien und Glaserhandwerk

Glasersoftware BC-Glas für das Glaserhandwerk

Auch wenn es sich bei der Firma BC-GlasSoft um eine erst 2010 neu gegründete Softwarefirma handelt, so verfügen wir doch über mehr als 25 Jahre Erfahrung und Know How in der Programmierung von Glasersoftware!
Wir haben es uns zum Ziel gesetzt, Sie mit unserer langjährigen Erfahrung und mit unserem fachlichem Wissen in der Glasbranche, vor allem aber mit unserer einfach zu bedienenden Glasereisoftware BC-Glas zu überzeugen!
Sie können versichert sein, dass unsere Software ständig gepflegt und aktualisiert wird. Unsere Programmierer arbeiten hier stets mit Hochdruck daran.
Informieren Sie sich, sollten Sie Fragen haben, dann rufen Sie uns einfach an!

Info-Telefon: 040 - 398 78 170

Vereinfachen Sie Ihre Arbeitsabläufe und sparen Sie viel Zeit mit unserer Software BC-Glas. Angebote, Aufträge, Rechnungen, Lieferscheine, Konstruktionszeichnungen, Umsatzstatistiken, Mahnwesen und noch viel mehr. All das deckt BC-Glas komplett ab!

Nur eine Software für alle anfallenden Büroarbeiten!

Wir helfen Ihnen, da können Sie sicher sein!
Wir installieren unsere Software BC-Glas online oder persönlich vor Ort in Ihrer Glaserei.
Wir passen Ihre firmeneigenen Formulare an und integrieren diese in BC-Glas.
Damit nicht genug, wir weisen Sie intensiv in das Programm ein!


BC-Glas Glassoftware 040-398 78 170

Schauen Sie sich einige Beispiele im BC-Glas an:

Pauli&Sohn Duschkonfigurator

Sie wollen eine Dusche konfigurieren?

Im BC-Glas ist das ruckzuck gemacht.
Sie können über einen integrierten Konfigurator Duschen mit P+S Beschlägen konstruieren, die Abzugsmasse werden automatisch errechnet! Einfacher geht es kaum!

Wählen Sie den Einbautypen und den entsprechenden vorgeschlagenen Beschlag aus. Selbst die möglichen Dichtungen werden Ihnen zur Auswahl angezeigt! Anschließend geben Sie die lichten Abmessungen in das Aufmassblatt ein, den Rest der Kalkulation erledigen wir für Sie!

Sie speichern Ihre Konfiguration ab und unser Glasprogramm BC-Glas fügt alle Beschläge, Glas, Dichtungen usw. ein und erstellt eine Kalkulation für z. B. Ihr Angebot.

Pauli&Sohn Duschkonfigurator mit BC-Glas

Ganzglasanlagen DORMA

Die gängigsten Ganzglasanlagen aus dem DORMA Katalog haben wir für Sie bereits im BC-Glas integriert. Inklusive Glas, Beschlägen, Zubehör, Farbauswahl und Montage und auch ausdruckbarer Skizze ist bereits alles enthalten. Auch hier geben Sie nur die „lichten“ Maße ein und die Glassoftware BC-Glas erledigt den Rest für Sie fast ganz alleine.
Selbstverständlich können Sie auch hier die von uns gemachten Vorgaben angleichen und z. B. höhere Montagekosten für Ihren Vorgang einrechnen. 

DORMA Ganzglasanlagen mit BC-GlasSoft

Weitere Bespiele Modellzeichnungen und Fenster im BC-Glas:

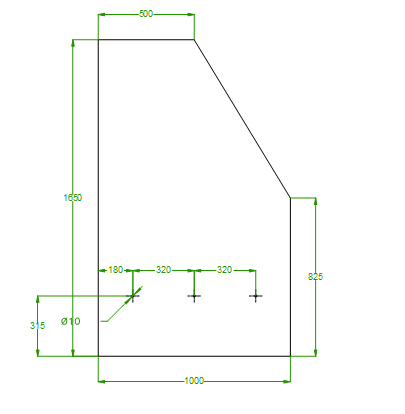
Modellzeichnungen/Skizzen DXF

Maßstabsgetreue Zeichnungen inklusive Lochbohrungen usw. generieren Sie mit unserer Glasersoftware BC-Glas und dem CAD-Modul im Handumdrehen, diese Zeichnung wird dann als DXF-Datei gespeichert und kann direkt per Mail zu Ihren Lieferanten oder auch an den Zuschneide-Tisch geschickt werden!

Hier sehen Sie ein Beispiel einer Modellscheibe mit 3 horizontalen automatisch errechneten Lochbohrungen!

Moderne Makros wie z.B. Ausschnitte, Lochbhrungen, Eckabschnitte usw. sind per Button bereits vorgefertigt. Sie brauchen nur noch Ihre Abmessungen eingeben!

Modellzeichnung CAD mit BC-GlasSoft

Fenster/Türen/PSK/ASK

Rechnen und zeichnen Sie Ihre Fenster und Türen im BC-Glas.

Sie brauchen lediglich noch die Montagekosten oder Aus- und Einbau zufügen und fertig ist Ihre Kalkulation.

Die Ansicht des Fensters oder der Tür können Sie natürlich auch für Ihren Kunden mit ausdrucken.

Fenster mit BC-GlasSoft

Zufriedene Kunden

Stefan Tiedke, Jokusch Glas- und Fensterbau GmbH, Hamburg
"Wir arbeiten nun schon Jahre lang mit BC-Glas und sind sehr zufrieden mit der Software und auch dem Service. Sehr viele Abläufe im Programm sind automatisiert, das spart jede Menge Zeit."

Daniel Wielsch, Brigla-Therm Glas GmbH, Rinteln
"Wir arbeiten seit 2012 mit BC-GlasSoft. Durchdachte und einfache Handhabung. Kompetente, freundliche Hotline mit schneller Reaktionszeit. Regelmäßige und fehlerfreie Updates."

Tim Kropp, Glaserei Kropp, Bremen
"Sehr gute Arbeit per Fernwartung (bis in den späten Abend hinein). Bei Fragen wird schnellstens geholfen und somit kommt es kaum zu Verzögerungen im täglichen Arbeitsablauf."

Stefan Tiedke, Jokusch Glas- und Fensterbau GmbH, Hamburg

BC-GlasSoft, moderne und innovative Software für Glaser

Wir nehmen gerne Ihre Ideen auf und entwickeln BC-Glas innovativ weiter.
Der Trend zum "papierlosen" Büro, die Digitalisierung ist in aller Munde und gehört inzwischen zum Tagesgeschäft. 

BC-Glas Homeoffice

Entwicklung

BC-Glas wird ständig weiter entwickelt und modernste Techniken integriert, Kundenwünsche fließen ein. Updates erhalten Sie ab sofort bequem und direkt über einen Programmpunkt in der Software. Über unser "whatsnew" werden Sie über Neuerungen und Verbesserungen unserer Glasersoftware BC-Glas informiert.

Teamarbeit bei und mit BC-Glas

Alles aus einer Hand

Angebote, Aufträge, Lieferscheine,  Rechnungen, Anfragen, Bestellungen, Arbeitszettel, Werkstattscheine, Briefe, Zahlungserinnerungen oder auch, Mahnungen...
Alles mit nur einer Glaserei-Software, BC-GlasSoft! Selbst komplette Zeichnungen und Konstruktionsskizzen können Sie mit BC-Glas super leicht erstellen! 

Schnittstellen mit BC-GlasSoft

Zusammenarbeit

Schnittstellen zu verschiedenen FiBu- Programmen wie z. B. Datev / KHK / Lexware,  zum Duschkonfigurator KL eDesign, Schnittstellen zu diversen Fertigungssystemen, zu Zeiterfasungssystemen, Schnittstelle zur Preisliste der Glaserinnung München-Oberbayern, Kalenderzugriff via Smartphone und noch viele mehr.

Hotline BC-Glas

Erreichbarkeit / Hotline

Bei uns müssen Sie keine Tickets ziehen und darauf warten, dass sich irgendwann mal jemand um Ihre Angelegenheit kümmert.

Wir sind mit einer Fachkraft telefonisch und auch per Internet für Sie erreichbar. In Absprache auch nach Feierabend oder am Wochenende!

Homeoffice leicht gemacht mit BC-GlasSoft

Gehosted in Deutschland / ISO 27001 zertifiziert

Arbeiten von zu Hause BC-Glas Glasereisoftware

BC-Glas in der Cloud

Modernes Arbeiten in der cloud, ermöglicht es Ihnen von zu Hause oder wo auch immer Sie unterwegs sind, zu arbeiten!

Glassoftware BC-Glas im Homeoffice

Egal wo Sie sind

Ihre Glaserei Software BC-Glas haben Sie dann schon dabei. Nehmen Sie Ihr Büro doch einfach mit nach draußen!

Ganzglasanlage mit BC-GlasSoft

Software für Glaser

BC-Glas kann sowohl als lokale Einplatz- und auch Mehrplatzversion, als auch in der bc.cloud eingerichtet werden.

Arbeitszettel direkt unterschreiben lassen

Aufmass / Unterschriften / Papierloses Büro

Lassen Sie sich Ihre Arbeitszettel, Aufträge oder Lieferscheine von Ihren Kunden direkt auf dem Ipad unterschreiben.

Oder aber, skizzieren Sie z. B. wie auf dem Bild geschehen die Bohrung für die Steckdose und zeichnen diese direkt in den Auftrag mit exakten Maßen ein!

Bearbeitung von Skizzen direkt beim Kunden

Schicken Sie Ihre Monteure mit einem Aufmasszettel los, es können direkt auf dem Ipad  Bohrungen oder Ausschnitte usw. skizziert werden. Lassen Sie sich den Auftrag unterschreiben.

Senden Sie dem Kunden eine Kopie des Auftrages

Senden Sie Ihren Kunden direkt per eMail eine Kopie des geänderten und unterschriebenen Auftrages. Anschließend speichern Sie diesen Auftrag mit handgefertigter Skizze direkt im dazugehörigen Vorgang!

BC-Glas in der bc.cloud / Homeoffice

Wenn Sie möchten, können Sie die Arbeitsplätze Ihrer Mitarbeiter in die Cloud verlegen. Arbeiten Sie online über jedes mobile Gerät und sparen enorme Anschaffungskosten für teure Server! Greifen Sie völlig standortunabhängig auf Ihre Daten zu!
Sie müssen sich keine teure Hardware anschaffen, Sie brauchen keine teure Wartung für die Administration und Wartung des Servers, Sie sparen Stromkosten, Sie können sich mit jedem Smartphone, Ipad oder Notebook online in die Cloud einwählen und haben BC-Glas überall zur Verfügung. Alle Änderungen oder Neuerfassungen von Aufträgen, Terminen usw. sind sofort für jeden Ihrer Mitarbeiter sichtbar! Sie nehmen praktisch Ihr Büro mit zur Baustelle. Unsere Cloud ist in modernsten Sicherheits-Rechenzentren in Deutschland, die Iso 27001 zertifiziert sind! 

  • Egal ob Ipad, Notebook, Windows PC
  • Aufträge und Lieferscheine direkt unterschreiben lassen
  • Keine Anschaffung teurer Server
Homeoffice bc.cloud BC-Glas in der Cloud

BC-Glas ist eine leicht zu erlernende Software für Glasereien, egal ob es sich um einen 1-Mannbetrieb oder einen großen Betrieb mit mehreren Mitarbeitern handelt. Die Software für Ihre Glaserei, die fast alle Aufgaben für Sie erledigt. BC-Glas, Software für Glaser, Glaserhandwerk und Glashandel. Geschulte Mitarbeiter mit SOFORT-Hilfe.

Unsere Preise zur Orientierung für Sie

Wir können Ihnen verschiedene Möglichkeiten anbieten, BC-Glas zu nutzen. Sie können unsere Software für Glasereien kaufen oder auch per Mietkauf erwerben (36 oder 48 Monate Ratenkauf)!
Diese Preise gelten für Sie zur Orientierung, sprechen Sie uns an und wir unterbreiten Ihnen ein speziell für Sie passendes Angebot!
Zu den nachfolgenden Preisen werden einmalige Einrichtungs- Installationskosten fällig. Diese Kosten sind je Kunde unterschiedlich aufwändig und können daher erst nach einer Vorführung oder einem Gespräch ermittelt werden.
Alle Preise zzgl. der gesetzlichen MwSt.!

Kaufvariante

1-Platzvariante 3.000 €
2-Platzvariante 4.000 €
jeder weitere Arbeitsplatz 750 €

Mietkauf 36

1-Platzvariante 111 €
2-Platzvariante 150 €
jeder weitere Arbeitsplatz 32 €

Mietkauf 48 

1-Platzvariante 94 €
2-Platzvariante 126 €
jeder weitere Arbeitsplatz 27 €

Warum sollten auch Sie sich für BC-Glas entscheiden?

Fachkräfte: Arbeiten Sie zusammen mit uns, mit Fachleuten aus der Glasbranche! Wir haben von der "Pike" auf an unser Handwerk gelernt und haben BC-Glas enstehen lassen, um sehr viele Arbeitsabläufe zu automatisieren und zu erleichtern!

Alles vereint in einer Software. Angebote, Auftragsbestätigungen, Lieferscheine, Rechnungen, Mahnwesen, Briefe, Abschlagsrechnungen, CAD-Zeichnungen von Modellen, Duschen, Ganzglasanlagen, Kassenbuch, Schnittstellen z. B. Datev, Sage KHK, TIM-Zeiterfassung!  

Papierloses Büro. Alle Dokumente können per eMail versendet werden und werden automatisch als schreibgeschütztes PDF-A-Dokument gespeichert. Fügen Sie Fotos, Anhänge, Zeichnungen usw. em entsprechenden Vorgang zu. Lassen Sie Ihre Lieferscheine online auf dem Ipad unterschreiben.

Rechnungsbücher, Mahnwesen. Inklusive Rechnungseingangsbuch, Ausgangsbuch, offene Posten, automatischem Mahnwesen, Umsatzstatistiken.

Revisionssicher, GDPdU. Rechtssichere Rechnungen, digitaler Datenabgleich mit dem Finanzamt bei einer Betriebsprüfung

Kalender/Tourenplanung. Nutzen Sie unsere Kalender, um Ihren Monteuren die Termine direkt unterwegs auf z. B. das Ipad zu senden

Schnittstellen. Diverse Schnittstellen zu FiBu-Programmen (wie Lexware, KHK, Datev usw.), Zeiterfassungssystemen, Shopsystemen

Software Glaserei Peter Caspar

Kommen auch SIE zu uns!

Nutzen Sie gerne unsere telefonische Hotline (02384-53 02 58) und rufen uns an. Wir stellen Ihnen eine Fachkraft zur Verfügung!
Wir helfen Ihnen und loggen uns notfalls bei Ihnen auf Ihren Rechner auf, um Ihnen Hilfestellung zu geben!

Das geht ruck zuck!

Sparen Sie enorme Zeit in Ihren täglichen Abläufen und nutzen Sie diese anderweitig.

Neueste Updates oder neue Preislisten können bequem direkt über unsere Software BC-Glas heruntergeladen werden.

Service/Hotline 

Peter Beckmann

+49 (0)2384 53 02 58

info(at)bc-glassoft.de

Büro Hamburg
Peter Caspar
+49 (0)40 398 78 170

info(at)bc-glassoft.de

Software für Glasereien, Glaserhandwerk und Glashandel

Contact Info

Heinrich-Heine-Str. 34

Hamburg, 21077

info(at)bc-glassoft.de

+49 (0)40 398 78 170

Support and Hotline

+ 49 (0)2384 53 02 58